Spark Arrester (Requied by NFPA)
After long-term use of the engine, a large number of carbon particles accumulated in the exhaust pipe fall off and encounter high temperature gas, which will burn and produce sparks flying out of the exhaust pipe. If there is combustible gas or organic dust on the work site, it will cause serious accidents such as fire or explosion. Spark extinguishers must be installed at the exhaust outlets of engines operating in hazardous areas (such as cotton harvesting and transportation, grain processing, coal mine power, petroleum exploitation, petrochemical industry, oil and gas storage and transportation, etc.).(Non-flame arrestor).
As part of SinoMac, PumpMac provides abundant premium pump-driven power pack options, WPT PTO, Advance gearbox and pump head, as well as customized water pump set. We also have a set of NFPA20 standard engine power pack accessories including air intake shut-off valve, DC contactor, engine control panel, jacket water heater etc. We provide full life cycle services for all customers, from design to power system supply, from installation to commissioning, from after-sales service training to spare parts supply, from trouble shooting to overhaul technical support.
If you are in need of pump model that not available on our website for the moment, please contact SinoMac sales team for technical details and related documents, our well trained sales and engineering team will help you with all products and techical documents available here at UL-listed.com.
Product Features
Function 1
Low Resistance Extinguish Spark
Function 2
Exhaust noise reduction
It can also replace the common industrial exhaust muffler.
Constructed material:stainless steel (304)
Type:SY-HH-Caliber-I-B-4
Type:SY-HC-Caliber-B-4S
Product Features
Spark Arrester |
Fire Cap |
| Suitable for high-horsepower stationary equipment Diesel generator and diesel fire pump | Suitable for mobile devices with small horsepower It is mostly used for vehicles to temporarily enter dangerous areas. |
| Fragmentation mode, not easy to accumulate Low maintenance cost and long service life | Barrier mode, easy to carbon deposition, easy to block The maintenance cost of regular replacement is high and it cannot be used for a long time. |
| The resistance is small Does not increase fuel consumption! Do not reduce the output power! | High resistance Increase the power loss of the engine! |
| All stainless steel The installation position is not limited, and it can be used in high temperature occasions. | Common material Not resistant to high temperature and corrosion |
| It has the function of noise elimination | There is no silencing function |
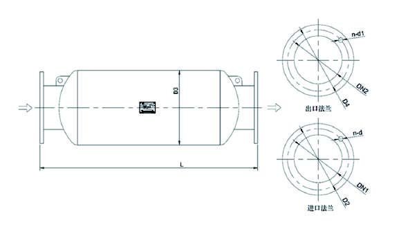
Diesel Engine Exhaust Spark Arrestors (Slotted pipe connection)
Constructed material: stainless steel (304)
Type:SY-HH-Caliber-I-B-8
Constructed material:stainless steel (316)
Hazardous rating:EX Il 2G Ex h IIC T600°C Gc EX Il 2G Ex h IIC T60O°C Dc
Type:SY-HH-Caliber-EX

| Serial number | Specifications and models | Suitable for engines emissions (L) | L mm |
DN1 mm |
D2 mm |
DN2 mm |
|---|---|---|---|---|---|---|
| 1 | 5Y-HH-50-I-B-8 | 3 | 600 | 50 | 219 | 50 |
| 2 | 5Y-HH-80-I-B-8 | 4 | 700 | 80 | 219 | 80 |
| 3 | 5Y-HH-100-I-B-8 | 5 | 1222 | 100 | 219 | 100 |
| 4 | 5Y-HH-150-I-B-8 | 12 | 1580 | 150 | 273 | 150 |
| 5 | 5Y-HH-200-I-B-8 | 20 | 1960 | 200 | 377 | 200 |
| 6 | 5Y-HH-200D-I-B-8 | 25 | 2100 | 250 | 426 | 250 |
Emergency Engine Stop Device
This list including all Series of NFPA20 Components.
Click here to find pump engines by type (Fuel System & Engine Speed).
Spring Starter Motor
Spring Starter Motor (Required by NFPA) Spring Starter Motor — Provides rotational energy for diesel engine starting. Pure mechanical energy storage concentrates released human-generated energy to propel the engine to starting speed.Power Loss Control Unit— Provides...
Cardan Shaft
Cardan Shaft (Required by NFPA) The cross-type cardan shaft utilizes its structural characteristics to enable two shafts that are not on the same axis, have a large angular misalignment, or have significant axial movement to operate continuously at constant angular...
Diesel Engine Fire Pump Drivers
PumpMac Diesel Engine Fire Pump Drivers Diesel Engine Fire Pump Drivers are composed of diesel engine controller SY-DEC-F010, water pump coordination module SY-WPC-F090, information display module SY-DCP-F070 and other relevant command switches and buttons. They are...
Emergency Engine Stop Device
Emergency Engine Stop Device (Requied by NFPA) The fire pump emergency engine stop device is the last line of defense for fire safety, and its practical application cases cover three core dimensions: equipment protection, personnel safety, and system reliability. From...
Fire Engine Monitor
Fire Engine Monitor (Requied by NFPA) When the fire-fighting pump system need to work, the environment might have lot of smoke which make it difficult for rescue team to read anything, so NFPA20 standard have clearly requirement on the easy access of engine running...
VSPLC Start Up Device
VSPLC Start Up Device (REQUIRED by NFPA with engine higher than 200kW) Due to the pump drive engine always start engine with water pump connected, which have large torque on the engine, so NFPA20 have clearly requirement for VSPLC start up device of the engine higher...
Water Heater
Water Heater (Requied by NFPA) To make sure engine start up very fast at any working environment, have to make sure the coolant water keep at a reasonable temperature, its required to maintain water temperature at 49 degrees (+-5 degrees), So we have to add the A7:...
Over Speed Protection Device
Over Speed Protection Device (Requied by NFPA) Due to the engine overspeed can caused huge damages to engine itself, sometimes the parts inside of engine can be damaged and break out from engine block, can caused people injured. So NFPA20 standard have clearly...
Optional Components
Optional Components (Requied by NFPA) To make sure engine maintain good condition, in NFPA20 standard required to start up the engine with NO FLOW, which mainly to rotate the engine to protect the crankshaft and camshaft of engine to aviod the harms from the same...
Engine Starting System
Engine Strating System (Requied by NFPA) When the automatic control circuit fails and the storage battery of the main circuit and the starting motor are in good condition, Battery Contactors can be used to start the diesel engine fire pump mechanically (directly...











