EBARA ZY Fire Pump
EBARA ZY Fire Pump is Fire booster water supply equipment,The motor is an air-cooled two-stage standard motor,The motor flow range is 30 – 130 m, and the flow rate is 20 – 30 L/S.
If you are in need of Pump model that not available on our website for the moment, please contact EMAC sales team for technical details and related documents, our well trained sales and engineering team will help you with all products and techical documents available here at EBARA.
As part of EMAC, PumpMac provides abundant premium pump-driven power pack options, WPT PTO, Advance gearbox and pump head, as well as customized water pump set. We also have a set of NFPA20 standard engine power pack accessories including air intake shut-off valve, DC contactor, engine control panel, jacket water heater etc. We provide full life cycle services for all customers, from design to power system supply, from installation to commissioning, from after-sales service training to spare parts supply, from trouble shooting to overhaul technical support.
EBARA ZY fire pump is a complete set of fire protection products developed by our company according to market demand. Its performance and technical conditions meet the latest national standard GB27898.3-2011 “Fixed Fire Water Supply Equipment Part 3: Fire Pressure Boosting and Regulating Water Supply Equipment”. The product has passed the inspection of the Fire Products Conformity Assessment Center of the Ministry of Emergency Management and obtained the fire protection certification. We provide all customers with full life cycle services from design to power supply, from installation to commissioning, from after-sales service training to spare parts supply, from fault handling to overhaul technical support.
EBARA ZY pump unit ZY series fire booster water supply equipment can be divided into one-in-one, two-in-one and three-in-one according to the number of fire pumps in the unit. The basic type is one-in-one. EMAC will continue to update the product introduction page of different versions of pumps. Welcome to subscribe to our website to get the latest update information.
General Specifications of ZY Fire Pump
| model: | ZY |
| flow: | 20-30 L/S |
| Lift: |
30-130 m |
| power: |
11-75 kW |
| Rotating speed: |
N/A |
| frequency: | 50 Hz |
| Voltage: | 380 V |
| Protection level: | IP55 |
| Gross weight: | N/A |
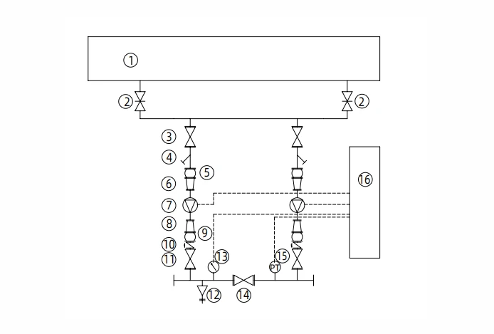
ZY Fire Pump Structure diagram

| Serial number | Part Name | Supply method |
| 1 | Fire pool | Provided by Party A |
| 2 | Service valve | Provided by Party A |
| 3 | Service valve | Optional |
| 4 | Y-type filter | Optional |
| 5 | Flexible joint | Optional |
| 6 | Reduced diameter | Optional |
| 7 | Booster pump | Standard |
| 8 | Reduced diameter | Standard |
| 9 | Flexible joint | Standard |
| 10 | Check valve | Standard |
| 11 | Service valve | Standard |
| 12 | Safety relief valve | Standard |
| 13 | Pressure gauge | Standard |
| 14 | Service valve | Standard |
| 15 | Pressure Sensors | Standard |
| 16 | Electric control cabinet | Standard |
EBARA ZY Fire Pump
This is the list of all series of ZY Fire Pump.
Click here to find pumps by type (Fire pump power).
EMK
Pump Model: EMK
Flow Range: N/A
Power Range: 7.5 ~ 160 kW
Gross Weight: N/A
Q
Pump Model: Q
Flow Range: N/A
Power Range: N/A
Gross Weight: N/A
WZ
Pump Model: WZ
Flow Range: 1 ~ 30 L/S
Power Range: 0.55 ~ 45 kW
Gross Weight: N/A
W
Pump Model: W
Flow Range: 1.1 ~ 3.5 L/S
Power Range: 0.75 ~ 5.5 kW
Gross Weight: N/A
XBD/CN
Pump Model: XBD/CN
Flow Range: 85 ~ 350 L/S
Power Range: 110 ~ 630 kW
Gross Weight: N/A
XBD-MS
Pump Model: XBD-MS
Flow Range: 20 ~ 65 L/S
Power Range: 7.5 ~ 200 kW
Gross Weight: 190 ~ 370 kg
XBD-EVM
Pump Model: XBD-EVM
Flow Range: 0.8 ~15.0 L/S
Power Range: 0.75 ~ 37 kW
Gross Weight: 27.8 ~ 389 kg
XBD/LPD
Pump Model: XBD-LPD
Flow Range: 10-200 L/S
Power Range: 5.5-160 kW
Gross Weight: 98-1615 kg
XBD-FS
Pump Model: XBD-FS
Flow Range: 7 ~ 240 L/S
Power Range: 4 ~ 3115 kW
Gross Weight: 110 ~ 2747 kg









